2021年人教版物理九年級全一冊 16.4變阻器
一、單選題
3.將兩只滑動變阻器按圖所示的方法連接,如果把a、b兩根導線接入電路里,要使這兩只變阻器接入電路中的總電阻最大,應把滑片P?、P?放在( )
A.P?放在最右端,P?放在最右端
B.P?放在最左端,P?放在最左端
C.P?放在最右端,P?放在最左端
D.P?放在最左端,P?放在最右端
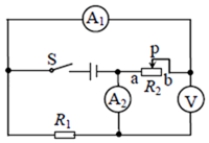
4.如下圖,是某實驗小組的同學連接的電路,則( )
A.在連接此電路時,開關應該斷開;開關閉合前,滑片應處于最左端
B.S?、S?都閉合時,L?、L?并聯,電流表測干路的電流
C.先閉合S?、S?,再斷開S?時,電流表示數變小,電壓表示數變小
D.S?、S?都閉合,將滑片右移時,電流表示數變小,電壓表示數變小
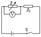
5.如圖所示,電源電壓不變,閉合開關S后,滑動變阻器的滑片P自中點向b端移動的過程中,下列關于電表示數變化情況判斷正確的是( )
A.電流表A?變小,A?變小,電壓表V不變
B.電流表A?變小,A?不變,電壓表V不變
C.電流表A?變小,A?變小,電壓表V變大
D.電流表A?不變,A?變大,電壓表V變小
二、填空題
3.滑動變阻器是靠改變接入電路中電阻線的來改變其連入電路中的電阻的,如圖為旋轉式變阻器的結構圖,a、b、c 為變阻器的三個接線柱,d 為旋鈕觸片。將該變阻器接入電路中調節燈泡的亮度,當順時針旋轉旋鈕觸片時,燈泡變亮,則應連接接線柱(選填“a、b”、“b、c”或“a、c”)和燈泡聯后接入電路中。

三、按要求做題
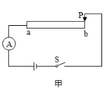
1.學校實驗室有一根長略大于60cm的均勻電阻絲,小明等同學打算探究這根電阻絲不同長度的電阻與對應長度的關系。已知這根電阻絲總電阻約6Ω,他們設計了如圖甲所示電路示意圖,電源電壓3V,電阻絲拉直固定在木板上的a、b兩點,P為鱷魚夾。
完成實驗,回答下列問題:
(1)電流表應選用_______(選填序號)。
A.電流表A?(0~60mA)
B.電流表A?(0~0.6A)
C.電流表A?(0~3.0A)
(2)正確連接電路,斷開開關,鱷魚夾P夾接在電阻絲上靠近b端某位置,用刻度尺測鱷魚夾與a端間電阻絲長度L,閉合開關,讀取電流表示數I;斷開開關,將鱷魚夾P向a端移動約10cm,重復前面的操作。6次測得的電阻絲長度L和對應電流表示數I如下表所示。
(3)計算接入電路電阻絲的電阻R,并填在上表中。請補填根據第2次測量算出的電阻絲的電阻R?=____Ω。
(4)請在圖乙的坐標系中,制定縱橫坐標的標度,把上表中數據在坐標系中描點,然后畫出圖象。
(5)根據你畫出的圖象,________(選填“可以”或“不可以”)得到結論:在誤差范圍內,電阻絲的電阻與其長度成正比。
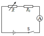
2.用滑動變阻器改變小燈泡的亮度:
(1)要求滑動變阻器的滑片向左移動時能使燈L亮度變暗。請用筆畫線代替導線連接實物, 并在方框內畫出相應的電路圖。
(2)滑動變阻器的銘牌上標有“20 Ω 2 A”的字樣,其中“20 Ω”指的是________兩個接線柱間的電阻值;“2 A”指的是__________________________________。
(3)如果還想知道電路中電流的改變情況,需要在電路中______聯一個電流表,并增加______根導線。
(4)開始實驗后,甲同學發現無論如何移動滑片 P,燈的亮度都不發生變化,而且一直很亮,這可能是___________________________________。

此內容正在抓緊時間編輯中,請耐心等待

邢老師
男,中教高級職稱
市骨干優秀教師,市物理教學改革科研組負責人,注重教學改革及教育實踐,具有豐富的物理基礎教學經驗。